E-mail    WhatsUp!    Telegramm    Teams
main  |  news  |  FAQ  |  place your order  |  feedback
ENTER
  login:    password:     

Books       

 global search
 REGISTRATION  Forgot your password?  Unsubscribe news
All Catalogues
Place Your Order
 Brand list
 Cars Spare Parts
 Lorry, Buses Parts
 OEM Cars Parts
 OEM Lorry Parts
 Cars Manuals
 Lorry Manuals
 Lift Trucks Parts
 ForkLift Manuals
 Agriculture Parts
 Agriculture Manuals
 Cranes Parts
 Cranes Manuals
 Heavy Technics
 Heavy Manuals
 Engines Parts
 Engines Manuals
 Bikes, ATV Parts
 Outboards Parts
 Bikes Manuals
 Boats Manuals
 Diagnostic
 VMware sets
 Europe
 Asia
 USA
 Japan
 China
Price lists
Activation keys
search
      everywhere
 Forum
 For Print
 Site Map

Tadano Aerial Platform AW-370TG-3 - Serial HE0191- :

Tadano Aerial Platform AW-370TG - Circuit Diagrams and Data

Serial HE0189->


 
 

50 EURO

ADD to CART

BACK to CATALOGUE

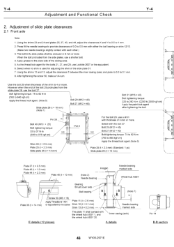
Screenshots
(You can click on the thumbnails for large view)

Click to view big picture in popup. Click to view big picture in popup. Click to view big picture in popup. Click to view big picture in popup.

Conflict Tadano Aerial Platform AW-370TG-3 - Serial HE0191- with other catalogues:

No conflicts found

 Region:   All regions
 Languages:  English, Japanese
 OS:  VISTA, Win7 x32, Win7 x64, Win98, Windows 8/10 x64, WinJapan, WinNT, WinXP
 Quantity of CD:  1 CD
 Data of update:  8/2015
 Price:  50 Euro




May we suggest also: ( total 57 catalogs )
SHOW ALL SPARE PARTS CATALOGS and REPAIR SOFTWARE FOR THIS MANUFACTURER


N NAME REGION LANGUAGE VALUE DATE PRICE

1

Tadano Aerial Platform AC-185TG-1 - Service Manual
Tadano Aerial Platform AC-185TG-1 - Service Manual, Circuit Diagrams and Data
Repair manual
All regionsEnglish, Japanese1 CD8/201550 EURO

2

Tadano Aerial Platform AW-185TG-2 - Service Manual
Tadano Aerial Platform AW-185TG-2 - Service Manual
Repair manual
All regionsJapanese1 CD8/201550 EURO

3

Tadano Aerial Platform AW-370TG-4 - Serial HE0301-
Tadano Aerial Platform AW-370TG-4 - Service Manual
Repair manual
All regionsEnglish, Japanese1 CD2/201950 EURO

4

Tadano AT-230CG (RUS)
workshop service manuals for Tadano aerial platform.
Repair manual
All regionsEnglish, Russian1 CD6/201550 EURO

5

Tadano Truck Crane TG-700EG-1
workshop service manuals for Tadano hydraulic truck crane.
Repair manual
All regionsEnglish, Russian1 CD6/2015100 EURO

designed by creative-bureau DONE Any questions or comments please send to: hodgjunior@gmail.com